Кубический спутник в вакууме

В своей статье о плазменных ракетных двигателях я уже немного рассказывал о форматах спутников, называемых CubeSat. И даже делал статью о производителе таких спутников. Но, пожалуй, этот формат достоин отдельной статьи, а не просто упоминаний.

7312

В своей статье о плазменных ракетных двигателях я уже немного рассказывал о форматах спутников, называемых CubeSat. И даже делал статью о производителе таких спутников. Но, пожалуй, этот формат достоин отдельной статьи, а не просто упоминаний.

Наноспутник формата CubeSat 1U

История CubeSat начинается по меньшей мере в 1998 году, когда группа специалистов из Калифорнийского Политехнического Университета (California Polytechnic State University, Cal Poly) совместно со специалистами из Стэнфордского Университета (Stanford University) взялись за решение непростой задачи: как дать студентам разнообразных технических ВУЗов возможность создавать и запускать в космос для испытаний свои собственные космические аппараты при отсутствии космического бюджета?

Создать на современной элементарной базе функциональный аналог Спутника-1 весьма просто. Он будет очень маленьким, лёгким и достаточно дешёвым. Но этого мало… Чтобы вывести спутник в космос, его нужно как-то соединить с ракетой-носителем, а затем в нужный момент от неё отделить. Очевидно, что никто не будет запускать ракету-носитель специально ради студенческого спутника, он может быть только дополнением к какому-то тяжёлому “серьёзному” аппарату. А это значит, что система крепления и отделения должна гарантировать безопасность основной нагрузки. Разработка такой системы и, самое главное, прохождение всех этапов тестирования, необходимых для подтверждения её безопасности, является куда как более сложной и дорогостоящей задачей, нежели сделать сам простейший студенческий спутник. За решение этой проблемы и взялись специалисты.

Их идея состояла в следующем: создать стандартизованный контейнер, куда будет загружаться несколько спутников со стандартизованной формой и габаритами. Однажды сертифицировав такой контейнер, его затем можно будет использовать для запуска всё новых и новых спутников без лишних затрат. Безусловно, разработчики спутников будут жёстко ограничены единым стандартом на форму и размеры их аппарата, но внутренняя начинка может быть самой разной, лишь бы безопасной (без пиротехнических устройств, сжатых газов, едких химикатов и т.п.), и взамен ограничений они получают дешёвый запуск аппарата в космос. Так появилась P-POD – Poly Picosatellite Orbital Deployer, система выброса множества пикоспутников.

Версия P-POD, актуальная на 2003 год

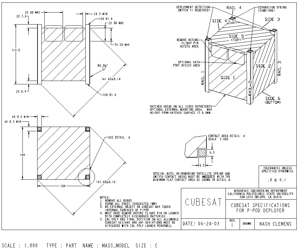
А вместе с ней и спецификация на сами пикоспутники, названные за кубическую форму CubeSat. Их масса не должна была превышать 1 кг (что и делало их именно “пико”), а размеры – 113,5x100x100 мм, из которых только 100x100x100 мм приходятся на полезный объём.

Чертёж CubeSat из актуальной на 2003-й год спецификации

В один “ствол” P-POD можно загрузить стопку из трёх CubeSat. Разработчики предложили и “двустволку”, позволяющую загрузить сразу шесть пикоспутников.

3D-модель “Double Barrel P-POD”, актуальная на 2003-й год

Внимательные читатели наверняка заметили, что фотография P-POD и чертёж CubeSat приведены для 2003 года. Это не просто так. Именно в 2003 году CubeSat и P-POD превратились из просто интересной концепции в реальный международный космический стандарт: разработчикам удалось договориться с предприятием Eurockot Launch Services, и 30 июня 2003 ракета-носитель Рокот, стартовавшая с космодрома Плесецк, запустила на солнечно-синхронную орбиту высотой около 830 км сразу шесть спутников CubeSat:

AAUSAT-1, Дания, проработал полгода
DTUSat-1, Дания, не вышел на связь
CanX-1, Канада, не вышел на связь
CUTE-I, Япония, в конце 2020 года всё ещё передавал сигналы
XI-IV, Япония, в конце 2020 всё ещё передавал сигналы
QuakeSat, США, проработал полтора года

Очень забавна ситуация с последним спутником: его создали в Стэнфордском Университете, который принимал участие в разработке стандарта CubeSat, запустили в космос с помощью P-POD, но стандарту CubeSat он явно не отвечал… Спутник даже в сложенном состоянии по размерам был как три CubeSat разом, а по массе – как пять! Т.е. уже к первому запуску CubeSat в космос стало ясно, что стандарту есть куда развиваться, что он спокойно может зайти на территорию наноспутников (спутники массой 1-10 кг). Но официально признавать это разработчики стандарта не спешили: в выпущенной в середине 2005-го года девятой редакции “CubeSat Design Specification” всё ещё оставался один единственный возможный форм-фактор и ограничение по массе в 1 кг.

Чертёж из девятой спецификации CubeSat

Ситуация не поменялась ни в десятой, ни даже в одиннадцатой версии спецификации, вышедшей в 2008 году! И лишь 2009 году с выходом Revision 12 дело сдвинулось с мёртвой точки: наконец-то официально появился стандарт CubeSat 3U размером 340,5x100x100 мм, где один спутник занимает P-POD целиком и имеет массу до 4 кг. Старый добрый CubeSat теперь именовался CubeSat 1U и имел повышенную до 1,33 кг максимальную допустимую массу.

Чертёж CubeSat 3U из 12-й редакции CubeSat Design Specification

В 2012 году, в редакции 12.1, появились 1,5U и 2U CubeSat, а также CubeSat 3U+. С первыми двумя, полагаю, всё и так довольно понятно: 170,2x100x100 мм и 2 кг у первого да 227x100x100 мм и 2,66 кг у второго. А вот третий является более интересной штукой…

Посмотрите на фотографию пустого P-POD выше. Чётко виден толкатель с четырьмя квадратными отверстиями (сделанными для снижения массы) и большая пружина под ним. Разработчики в какой-то момент догадались, что немного изменив форму толкателя можно предоставить создателям спутника возможность размещать какие-то части аппарата внутри пружины!

Обновлённый толкатель P-POD
3D-модель CubeSat 3U из CubeSat Design Specification

Дополнительный объём, доступный разработчикам космических аппаратов, окрестили “Tuna Can”, “банка тунца”.

Максимальные допустимые размеры “Tuna Can”

Но предел ли это для размеров CubeSat? Вовсе нет! Давайте ещё раз глянем на рисунок “двуствольного” P-POD: а что если убрать стенку между “стволами”?.. В 2016 году выходит черновик, который затем в 2018-м утверждается как окончательный стандарт: “6U CubeSat Design Specification Revision 1.0“. Спутникам 6U положено иметь размеры 366×226,3×100 мм и массу не более 12 кг. Последняя цифра несколько выше условной границы между нано- и микроспутниками, а потому формат CubeSat стал официально допускать создание и микроспутников тоже.

Чертёж CubeSat 6U из 6U CubeSat Design Specification

Впрочем, как это уже было с 3U, официальные спецификации на годы отставали от реальности… Первые CubeSat 6U – это два российских аппарата Perseus-M компании Dauria Aerospace, запущенные 19 июня 2014 года.

Perseus-M1 и Perseus-M2 – два первых CubeSat 6U, запущенных в космос

Возможно у кого-то возникнет вопрос: а как их удалось запустить? Ведь идея убрать стенку у “двуствольного” P-POD, конечно, хороша, но её нельзя просто так выкрутить у стандартной системы выброса спутников, если она на это изначально не рассчитана. А в 2014-м P-POD на это никак не рассчитывали… Ответ прост: со временем Cal Poly перестали быть единственными изготовителями таких систем. Собственно ещё в самом первом запуске CubeSat, который был в 2003 году, спутник XI-IV был запущен с помощью T-POD (Tokyo-Picosatellite Orbital Deployer). Ну а к 2014-му уже были доступны и такие варианты:

Контейнерная система выброса спутников ISIS QuadPack с поддержкой спутников до CubeSat 12U

Кстати, в 2014 году вместе с российскими Perseus-M в полёт отправился первый украинский CubeSat – PolyITAN-1, который работал как минимум до 2019 года.

PolyITAN-1 – первый украинский наноспутник

В середине 2020 года появился черновик CubeSat Design Specification Rev. 14, в котором размерный ряд расширен до 12U (226,3×226,3×366 мм), а масса на 1U повышена до 2 кг. Т.е. 3U теперь сможет весить 6 кг, а новый 12U разрешается делать массой аж до 24 кг.

Линейка форматов CubeSat от 1U до 12U из черновика 14-й редакции CubeSat Design Specification

Разумеется, и тут разработчики стандарта на несколько лет отстают: первый CubeSat 12U Китай запустил ещё в середине 2016 года.

Aoxiang Zhixing – первый спутник CubeSat 12U

Отставание даже больше, чем четыре года, ведь 14-я редакция – это именно черновик, а пока ещё действует CubeSat Design Specification Rev. 13 2014 года.

13-я редакция, кстати, достаточно важна: хоть она и не добавила новых форматов спутников, но наконец-то сняла запрет на использование любых двигательных установок на спутниках CubeSat, который действовал до этого. Впрочем, как не сложно догадаться, и здесь авторы стандарта лишь добавили в него то, что и так де-факто было: первый CubeSat, оснащённый ракетным двигателем (который просто выбрасывал в космос гексафторид серы из баллона), полетел в 2008-м. Им был канадский CanX-2 несуществующего тогда официально формата CubeSat 3U.

Канадский CanX-2 – первый CubeSat с ракетным двигателем

К чему же привели все эти десятилетия развития стандарта CubeSat? К вот такому изменению популярности наноспутников:

Многократный рост числа запусков таких аппаратов после появления в 2012-м “прорывной” CubeSat Design Specification Rev. 12.1 очень нагляден.

Созданный изначально сугубо для обучения студентов стандарт в итоге стал пригоден для куда большего. CubeSat постепенно стали серьёзными научными аппаратами, а затем и вовсе вышли в область коммерческой эксплуатации. Наиболее наглядна тут компания Planet Labs, которая в одном только 2020 году изготовила и запустила четыре десятка спутников дистанционного зондирования Земли!

Спутники ДЗЗ компании Planet Labs

Разумеется, качество данных, собираемых такими мелкими спутниками, радикально хуже, чем у какого-нибудь WorldView-3. Зато их много! Такой толпой они могут ежедневно снимать хоть всю планету, что позволяет предоставлять заказчику самые свежие данные и за весьма умеренную цену.

В отличии от людей, CubeSat не застряли на околоземной орбите, а уверено пошли осваивать Солнечную Систему: два аппарата формата CubeSat 6U, MarCO-A и MarCO-B, в 2018 году пролетели мимо Марса, занимаясь при этом ретрансляцией сигналов аппарата InSight на Землю.

Фотография одного из аппаратов MarCO
3D-модель аппаратов MarCO в рабочем положении

В случае CubeSat великолепно сработала положительная обратная связь: за счёт большой популярности формата появляется всё больше серийных компонентов, предназначенных для самостоятельной сборки из них спутников, а чем больше таких компонентов – тем популярнее этот формат. Вы можете целиком собрать свой собственный уникальный CubeSat из стандартных серийных “кирпичиков”! От задумки до готового спутника может пройти всего несколько месяцев, и стоить это всё будет лишь несколько десятков тысяч долларов, что по космическим меркам смехотворно мало.

Мы фантазировали о космическом будущем, где будут многокилометровые космические корабли, но вполне возможно, что настоящее будущее космонавтики кроется в маленьких кубиках, которые постепенно открывают возможность исследования и освоения космоса буквально для каждого.

17 коментарів

Розгорнути всі

Будь ласка, у свій профіль, щоб коментувати пости, робити закладки та оцінювати інших користувачів. Це займає всього два кліки.

Січ 12, 2021 20:19

Спасибо. Великолепный материал !

Січ 12, 2021 20:33

Контент видалено за запитом автора

Січ 12, 2021 22:57

Старшіп має радикально змінити і форм-фактор “супутніх пасажирів”, і вартість виведення. Адже окрім Старлінк-рейсів, будь-які карго-рейси йтимуть спочатку з дуже великим недозавантаженням. Навіть якщо зібрати рейд-шером кілька великих машин, до 10-20 тонн гулятиме. А об’єму це будуть десятки кубометрів. Так пікоспутники можуть стати модульними кубами на десятки літрів і вагою десятки кілограмів в якості базових.
Але краще, звісно, гексагонами. Це без варіантів

Січ 13, 2021 00:41

к чему тот гигантизм? вот чтоб сходу…

Січ 13, 2021 12:25

Тому що велике і просторе зробити простіше і легше, аніж компактне і з постійною трясучкою за межу грамів. Особливо це стосується студиків

Січ 12, 2021 23:44

осталось придумать достаточно “долгоиграющую” (и эффективную) энергетическую установку, и таких малышей можно отправлять по всей солнечной системе

Січ 13, 2021 07:18

РИТЭГи могут быть очень-очень маленькими.
https://miro.medium.com/max/1600/1*r-EB_oBK7PjwPAfxDLVBng.jpeg

Січ 13, 2021 07:26

Очень круто! Спасибо)

Січ 13, 2021 09:03

Очень интересный автор. А у автора соцсети есть? Что еще статьи почитать?

Січ 13, 2021 09:12

Вы можете кликнуть по моему имени и попасть на страницу со списком всех моих статей на этом сайте.
Соцсети есть. ВКонтакте, Facebook, Instagram, YouTube. Но не уверен, что вы там найдёте что-то особо интересное для себя.

Січ 13, 2021 22:15

Хорошая статья. Спасибо.
Разработчики в какой-то момент догадались, что немного изменив форму толкателя можно предоставить создателям спутника возможность размещать какие-то части аппарата внутри пружины!
Жаль разработчики не догадались сделать пружину не круглой, а квадратной, и тогда бы «банка тунца» была бы больше и удобнее как “шпроты” 🙂

Січ 21, 2021 20:55

Дякую. Згадав за фантастичний твір – Орбита Захоронения – Дмитрий Богуцкий